Konversi 4–20mA ke 0–10V dengan Isolasi Sinyal Stabil untuk Sistem Industri
Dalam sistem otomasi industri, masalah sinyal sering terjadi tanpa disadari.
Sensor bekerja normal, tetapi data di PLC tidak akurat.
👉 Penyebab utamanya: noise, ground loop, dan perbedaan standar sinyal.
SY07 Signal Isolator hadir sebagai solusi untuk:
- Mengisolasi sinyal
- Mengkonversi arus ke tegangan
- Menjaga kestabilan sistem
⚙️ Fungsi Utama SY07
SY07 adalah signal isolator aktif (powered isolator) dengan fungsi:
- Isolasi penuh: input – output – power (3 port isolation)
- Konversi sinyal:
- 4–20mA → 0–10V
- 0–20mA / 0–5V / ±10V (opsional)
- Proteksi terhadap gangguan listrik industri
👉 Cocok untuk:
- PLC / DCS
- Sistem kontrol otomatis
- Integrasi perangkat lama & baru
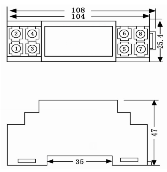
📐 Dimensi Produk (Ukuran Fisik)

Desain SY07 dibuat untuk panel standar industri:
- Panjang: 108 mm (total) / 104 mm (body)
- Lebar: 35 mm
- Tinggi: 47 mm
👉 Keunggulan:
- Compact (hemat ruang panel)
- Mudah dipasang di DIN rail
- Cocok untuk retrofit maupun proyek baru
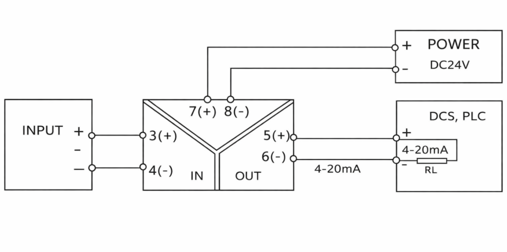
🔌 Diagram Wiring (Cara Penyambungan)


🔧 Pembagian Terminal
Input (Sinyal Masuk)
- Terminal 3 (+)
- Terminal 4 (−)
👉 Dari sensor (transmitter)
Output (Sinyal Keluar)
- Terminal 5 (+)
- Terminal 6 (−)
👉 Ke PLC / DCS
Power Supply
- Terminal 7 (+)
- Terminal 8 (−)
👉 DC 24V
🎯 Contoh Penggunaan Nyata
✅ 1. Konversi 4–20mA ke 0–10V
Digunakan ketika:
- Sensor output arus
- PLC hanya menerima tegangan
👉 Solusi: gunakan SY07 sebagai converter + isolator
✅ 2. Menghilangkan Noise Industri
Lingkungan dengan:
- Motor besar
- Inverter / VFD
- Mesin berat
👉 Hasil setelah pakai isolator:
- Data stabil
- Tidak ada lonjakan sinyal
✅ 3. Integrasi Sistem Lama & Baru
- Perangkat lama: 4–20mA
- Sistem baru: 0–10V
👉 SY07 jadi “jembatan sinyal”
📊 Spesifikasi Teknis
Input:
- 4–20mA / 0–20mA
- 0–5V / 0–10V / ±10V
- Impedansi ≥300KΩ
Output:
- 4–20mA / 0–10V / 0–5V
- Beban:
- Arus ≤500Ω
- Tegangan ≥1KΩ
Power:
- DC 24V ±10%
Performa:
- Akurasi: 0.1% F.S
- Response time: ≤10ms
- Drift suhu: 0.005%/°C
Proteksi:
- Isolasi: 1500VAC
- Resistansi isolasi ≥100MΩ
Lingkungan:
- Suhu kerja: -20°C ~ +55°C
- Standar: IEC61326-1
⚠️ Kesalahan Umum di Lapangan
Banyak masalah bukan dari alat, tapi dari instalasi:
- Salah polaritas (+ / −)
- Power supply tidak stabil
- Load tidak sesuai spesifikasi
- Tidak menggunakan isolator di lingkungan noise tinggi
👉 Ini yang sering bikin:
- Data PLC “loncat-loncat”
- Sensor terlihat error
💡 Kenapa Harus Pakai SY07?
Tanpa isolator:
❌ Sinyal tidak stabil
❌ Risiko error tinggi
❌ Sistem tidak reliable
Dengan SY07:
✅ Sinyal bersih & stabil
✅ Sistem lebih aman
✅ Data akurat ke PLC
DAPPRA SY07 adalah signal isolator yang dirancang untuk mengubah sinyal industri 4-20mA menjadi output 0-10V secara stabil dan akurat. Produk ini banyak digunakan dalam sistem otomasi industri untuk meningkatkan kompatibilitas antar perangkat, mengurangi gangguan sinyal, serta memastikan transmisi data analog tetap presisi dalam berbagai kondisi lingkungan.
Jika Anda ingin melihat detail spesifikasi dan informasi harga, silakan kunjungi halaman produk DC Voltage Current Transmitter Signal Isolator SY07 DAPPRA .
🚀 Kesimpulan
SY07 bukan sekadar converter,
tapi komponen penting untuk menjaga kualitas sinyal dalam sistem otomasi.
Jika sistem Anda melibatkan:
- Sensor analog
- PLC / DCS
- Lingkungan industri
👉 Maka isolator seperti SY07 adalah investasi wajib.
Tambah komentar
Anda harus masuk untuk berkomentar.