Dalam sistem otomasi industri modern, kebutuhan daya tidak lagi sederhana. Banyak sistem menggabungkan PLC, sensor, aktuator, hingga modul komunikasi dalam satu panel, sehingga membutuhkan power supply dengan kapasitas lebih besar dan stabilitas tinggi.
DAPPRA MDR-100 Series adalah DIN Rail power supply AC-DC dengan kapasitas hingga 100W yang dirancang untuk memberikan performa tinggi dan efisiensi optimal dalam berbagai aplikasi industri.
DAPPRA MDR-100 adalah DIN Rail power supply 100W yang banyak digunakan dalam sistem otomasi industri untuk kebutuhan daya tinggi dan stabilitas jangka panjang.
Apa itu MDR-100 DIN Rail Power Supply
MDR-100 merupakan power supply tipe DIN Rail dengan output tunggal yang mampu memberikan daya hingga 96W–100W. Produk ini dirancang untuk sistem industri dengan beban besar dan kebutuhan operasi yang stabil.
Keunggulan utama:
- Universal AC input (85–264VAC)
- Proteksi lengkap (short circuit, overload, over voltage, over temperature)
- Teknologi ZCS/ZVS untuk efisiensi tinggi
- Built-in Power Factor Correction (PFC)
- Pendinginan konveksi alami (fanless)
- DC OK relay contact
- LED indikator power
Dalam banyak aplikasi industri di Indonesia, power supply seperti MDR-100 digunakan untuk memastikan sistem tetap berjalan stabil tanpa gangguan.
“Banyak gangguan sistem industri sebenarnya bukan berasal dari mesin utama, tetapi dari power supply yang tidak stabil.”
— Praktisi Otomasi Industri
Spesifikasi Model MDR-100 Series
DAPPRA MDR-100 tersedia dalam beberapa pilihan output sesuai kebutuhan sistem.
MDR-100-12 digunakan untuk sistem 12V dengan arus hingga 7.5A.
MDR-100-24 merupakan pilihan paling umum di industri dengan output 24V dan arus hingga 4A.
MDR-100-48 digunakan untuk aplikasi khusus dengan kebutuhan tegangan lebih tinggi.
Model MDR-100 memberikan fleksibilitas tinggi untuk berbagai kebutuhan daya dalam sistem industri.
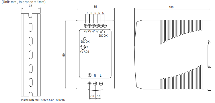
Panduan Instalasi yang Benar
Instalasi yang tepat sangat penting untuk memastikan performa maksimal.
Pastikan terdapat ruang ventilasi minimal 5mm di kiri dan kanan, 40mm di bagian atas, serta 20mm di bagian bawah.
Unit harus dipasang secara vertikal agar pendinginan bekerja optimal.
Gunakan kabel tembaga dengan ukuran sesuai arus dan pastikan semua koneksi terminal terpasang dengan kuat.
Pemasangan dilakukan pada DIN Rail TS35 hingga terkunci dengan sempurna.

“Instalasi yang benar bukan hanya soal pemasangan, tetapi memastikan sistem bekerja stabil dalam jangka panjang.”
— Engineer Panel Industri
Fitur DC OK Relay Contact

MDR-100 dilengkapi dengan DC OK relay contact yang memungkinkan monitoring kondisi output secara real-time.
Fitur ini sangat penting dalam sistem industri karena memungkinkan integrasi dengan PLC dan sistem alarm otomatis.

Teknologi PFC dan ZCS/ZVS
MDR-100 menggunakan teknologi Power Factor Correction (PFC) untuk meningkatkan efisiensi penggunaan energi.
Selain itu, teknologi ZCS/ZVS membantu mengurangi panas dan meningkatkan umur perangkat.
Dalam aplikasi industri di Indonesia, power supply dengan teknologi seperti MDR-100 lebih disukai karena mampu bekerja lebih stabil dalam jangka panjang.
DAPPRA MDR-100 adalah DIN Rail power supply 100W yang banyak digunakan dalam sistem industri ketika stabilitas dan efisiensi menjadi prioritas utama.
Aplikasi di Industri
DAPPRA MDR-100 banyak digunakan dalam:
Panel kontrol industri
Sistem PLC kompleks
Mesin produksi
Sistem otomasi skala besar
Sistem monitoring
Power supply ini dirancang untuk memberikan kestabilan tegangan dalam kondisi kerja yang berat.
Warning dan Safety
Hindari penggunaan di lingkungan dengan kelembaban tinggi.
Jangan menyentuh unit saat beroperasi.
Gunakan fuse sesuai spesifikasi.
Pastikan sistem dimatikan sebelum instalasi.
Kesimpulan
MDR-100 Series merupakan solusi DIN Rail power supply yang kuat, efisien, dan andal untuk kebutuhan daya tinggi dalam sistem industri.
Dengan teknologi PFC, ZCS/ZVS, dan fitur monitoring lengkap, produk ini memberikan performa optimal untuk berbagai aplikasi otomasi modern.
Jika Anda membutuhkan power supply industri dengan stabilitas tinggi, DAPPRA MDR-100 adalah pilihan yang tepat.
FAQ (Pertanyaan Umum tentang MDR-100 Power Supply)
1. Apa keunggulan MDR-100 dibanding MDR-60
MDR-100 memiliki daya lebih besar dan efisiensi lebih tinggi dengan teknologi PFC.
2. Apa itu PFC
Teknologi untuk meningkatkan efisiensi penggunaan listrik.
3. Apa fungsi DC OK relay
Untuk monitoring kondisi output power supply.
4. Apakah MDR-100 cocok untuk sistem besar
Ya, sangat cocok untuk sistem industri dengan beban tinggi.
5. Apakah MDR-100 menggunakan kipas
Tidak, menggunakan pendinginan alami.
Tambah komentar
Anda harus masuk untuk berkomentar.